Master Bearings

DGBB | SABB | ACBB | CRB | SRB | CARB | TRB| TBB | CRTB/NRTB| SRTB | Y-BEARING | HOUSING | SLEEVES| PLAIN | NRB
Radial shaft | Mechanical | V-ring| Axial clamp| Wear sleeves| Other
Roller Chains | Couplings | Pulley | Optibelt
Linear Motion System | Sensorized Units
RS | Online | Aptitude

Bearings

Page:1 2 3 4 5

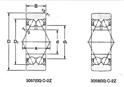
ตลับลูกปืนแคมโรลเลอร์

CAM ROLLER

รหัสสินค้า
ขนาด
รหัสสินค้า
ขนาด
 
d
D
B
 
d
D
B
305XXX
305800 C-2Z
10 32 14
305701 C-2Z
15 35 15.9
305801 C-2Z
12 35 15.9
305702 C-2Z
15 40 15.9
305802 C-2Z
15 40 15.9
305703 C-2Z
17 47 17.5
305803 C-2Z
17 47 17.5
305704 C-2Z
20 52 20.6
305804 C-2Z
20 52 20.6
305705 C-2Z
25 62 20.6
305805 C-2Z
25 62 20.6
305706 C-2Z
30 72 23.8
305806 C-2Z
30 72 23.8
305707 C-2Z
35 80 27
305807 C-2Z
35 80 27

 

Page: 1 2 3 4 5